產品系列

TAG推薦


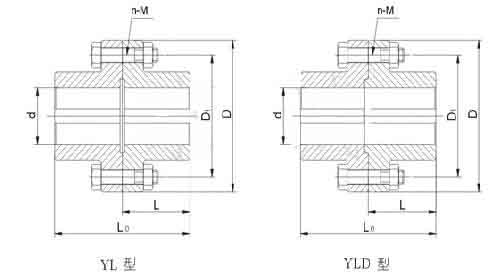
YLD型凸緣聯軸器屬于剛性聯軸器,是把兩個帶有凸緣的半聯軸器用普通平鍵分別與兩軸連接,然后用螺栓把兩個半聯軸器連成一體,以傳遞運動和轉矩。這種聯軸器有兩種主要的結構形式:①靠鉸制孔用螺栓來實現兩軸對中和靠螺栓桿承受擠壓與剪切來傳遞轉矩;②靠一個半聯軸器上的凸肩與另一個半聯軸器上的凹槽相配合而對中。連接兩個半聯軸器的螺栓可以采用主打產品和B級的普通螺栓,轉矩靠兩個半聯軸器結合面的摩擦力矩來傳遞。
YLD型凸緣聯軸器屬于剛性聯軸器,是把兩個帶有凸緣的半聯軸器用普通平鍵分別與兩軸連接,然后用螺栓把兩個半聯軸器連成一體,以傳遞運動和轉矩。
結構形式
這種聯軸器有兩種主要的結構形式:
①靠鉸制孔用螺栓來實現兩軸對中和靠螺栓桿承受擠壓與剪切來傳遞轉矩;
②靠一個半聯軸器上的凸肩與另一個半聯軸器上的凹槽相配合而對中。連接兩個半聯軸器的螺栓可以采用主打產品和B級的普通螺栓,轉矩靠兩個半聯軸器結合面的摩擦力矩來傳遞。
YLD型凸緣聯軸器的材料可用灰鑄鐵或碳鋼,重載時或圓周速度大于30米/秒時應用鑄鋼或鍛鋼。
凸緣上各螺栓根據傳遞轉矩的大小,可全部采用鉸制孔用螺栓,或一半采用鉸制孔用螺栓,另一半用普通螺栓。
剛性聯軸器分為YLD型凸緣聯軸器、徑向鍵YLD型凸緣聯軸器、套筒聯軸器、夾殼聯軸器和平行軸聯軸器,YLD型凸緣聯軸器對兩軸對中性的要求很高,當兩軸有相對位移存在時,就會在機件內引起附加載荷,使工作情況惡化,這是它的主要缺點。優點:但由于結構簡單、成本低、可傳遞較大轉矩,故當轉速低、無沖擊、軸的剛性大、對中性較好時常采用。
型號 | 公稱扭矩 Tn(N·m) | 許用轉速[n]r/min | 軸孔直徑d(H7) | 軸孔長度L | D | D1 | 螺栓 | L0 | 轉動慣量 (kg.m2) | 重量 (kg.m3) | ||||||
Y型 | J1型 | 數量 n | 直徑M | |||||||||||||
鐵 | 鋼 | 鐵 | 鋼 | Y型 | J1型 | |||||||||||
YL1 YLD1 | 10 | 8100 | 13000 | 10 11 | 10 11 | 25 | 22 | 71 | 53 | 3(3) | M6 | 54 | 48 | 0.0018 | 0.94 | |
12 14 | 12 14 | 32 | 27 | 68 | 58 | |||||||||||
16 18 19 | 16 18 19 | 42 | 30 | 88 | 64 | |||||||||||
20 - | 20 22 | 52 | 38 | 108 | 80 | |||||||||||
YL2 YLD2 | 16 | 7200 | 12000 | 12 14 | 12 14 | 32 | 27 | 80 | 64 | 4(4) | M6 | 68 | 58 | 0.0035 | 1.50 | |
16 18 19 | 16 18 19 | 42 | 30 | 88 | 64 | |||||||||||
20 22 | 20 22 | 52 | 38 | 108 | 80 | |||||||||||
YL3 YLD3 | 25 | 6400 | 10000 | 14 | 14 | 32 | 27 | 90 | 69 | 3(3) | M8 | 68 | 58 | 0.0060 | 1.99 | |
16 18 19 | 16 18 19 | 42 | 30 | |||||||||||||
88 | 64 | |||||||||||||||
20 22- | 20 22 24 | 52 | 38 | 108 | 80 | |||||||||||
128 | 92 | |||||||||||||||
YL4 YLD4 | 40 | 5700 | 9500 | 18 19 | 18 19 | 42 | 30 | 100 | 80 | 3(3) | M8 | 88 | 64 | 0.0093 | 2.47 | |
20 22 24 | 20 22 24 | 52 | 38 | 108 | 80 | |||||||||||
25 - | 25 28 | 62 | 44 | 128 | 92 | |||||||||||
YL5 YLD5 | 63 | 5500 | 9000 | 22 24 | 22 24 | 52 | 38 | 105 | 85 | 4(4) | M8 | 108 | 80 | 0.013 | 3.19 | |
25 28 | 25 28 | 62 | 44 | 128 | 92 | |||||||||||
30 - | 30 32 | 82 | 60 | 168 | 124 | |||||||||||
YL6 YLD6 | 100 | 5200 | 8000 | 24 | 24 | 52 | 38 | 110 | 90 | 4(4) | M8 | 108 | 80 | 0.017 | 3.99 | |
25 28 | 25 28 | 62 | 44 | 128 | 92 | |||||||||||
30 32 - | 30 32 35 | 82 | 60 | 168 | 124 | |||||||||||
YL7 YLD7 | 160 | 4800 | 7600 | 28 | 28 | 62 | 44 | 120 | 95 | 4(3) | M10 | 128 | 92 | 0.029 | 5.66 | |
30 32 35 38 | 30 32 35 38 | 82 | 60 | 168 | 124 | |||||||||||
- | 40 | 112 | 84 | 228 | 172 | |||||||||||
YL8 YLD8 | 250 | 4300 | 7000 | 32 35 38 | 32 35 38 | 82 | 60 | 130 | 105 | 4(3) | M10 | 169 | 125 | 0.043 | 7.29 | |
40 42 - | 40 42 45 | 112 | 84 | 229 | 173 | 6.53 | ||||||||||
YL9 YLD9 | 630 | 4100 | 6800 | 38 | 38 | 82 | 60 | 140 | 115 | 6(3) | M10 | 169 | 125 | 0.064 | 9.53 | |
112 | 84 | 229 | 173 | |||||||||||||
40 42 45 48 - | 40 42 45 48 50 | |||||||||||||||
YL10 YLD10 | 630 | 3600 | 6000 | 45 48 50 55 - | 45 48 50 55 56 | 160 | 130 | 6(4) | M12 | 0.112 | 12.46 | |||||
- | 60 | 142 | 107 | 289 | 219 | |||||||||||
YL11 YLD11 | 1000 | 3200 | 5300 | 50 55 56 | 50 55 56 | 112 | 84 | 180 | 150 | 8(4) | M12 | 229 | 173 | 0.205 | 17.97 | |
60 63 65 - | 60 63 65 70 | 142 | 107 | 289 | 219 | |||||||||||
YL12 YLD12 | 1600 | 2900 | 4700 | 60 63 65 70 71 75 | 60 63 65 70 71 75 | 200 | 170 | 12(6) | M12 | 0.443 | 30.62 | |||||
- | 80 | 52 | 38 | 349 | 269 | 0.463 | 29.52 | |||||||||
YL13 YLD13 | 2500 | 2600 | 4300 | 70 71 75 | 70 71 75 | 142 | 107 | 220 | 185 | 8(6) | M16 | 289 | 219 | 0.646 | 35.58 | |
80 85 - | 80 85 90 | 172 | 132 | 349 | 269 | |||||||||||
YL14 YLD14 | 4000 | 2300 | 4800 | 80 85 90 95 | 80 85 90 95 | 172 | 132 | 250 | 215 | 12(8) | M16 | 350 | 270 | 1.353 | 57.13 | |
100 - | 100 110 | 212 | 167 | 430 | 340 | |||||||||||
YL15 YLD15 | 6300 | 2000 | 3400 | - - | 90 95 | 172 | 132 | 290 | 250 | 12(6) | M20 | 350 | 270 | 2.854 | 89.59 | |
100 110 120 - | 100 110 120 125 | 212 | 167 | 430 | 340 | |||||||||||
YL16 YLD16 | 10000 | 1800 | 3000 | - - 120 125 | 100 110 120 125 | 340 | 290 | 12(6) | M24 | 5.271 | 119.57 | |||||
130 - | 130 140 | 252 | 202 | 510 | 410 | |||||||||||
YL17 YLD17 | 14000 | 1600 | 2600 | - - | 120 125 | 212 | 167 | 380 | 330 | 12(6) | M24 | 430 | 340 | 9.139 | 171.71 | |
130 140 150 | 130 140 150 | 252 | 202 | 510 | 410 | |||||||||||
- | 160 | 302 | 242 | 610 | 490 | |||||||||||
YL18 YLD18 | 20000 | 1400 | 2300 | - - | 140 150 | 252 | 202 | 420 | 360 | 12(6) | M30 | 510 | 410 | (17.883) | (263.5) | |
- - - | 160 170 180 | 302 | 242 | 610 | 490 |


